传动之家
全国咨询热线:400 021 2515
当前位置: 首页 > 产品推荐 > 涡轮减速机

NRV蜗轮蜗杆减速机

1、优质铝合金铸造,重量轻,不生锈。2、输出扭矩大。3、传动平稳,噪音小。4、散热效率高。5、美观耐用,体积小。6、可适应全方位安装

产品介绍

NRV蜗轮蜗杆减速机

1、优质铝合金铸造,重量轻,不生锈。
2、输出扭矩大。
3、传动平稳,噪音小。
4、散热效率高。
5、美观耐用,体积小。
6、可适应全方位安装。

NRV蜗轮蜗杆减速机(图1)

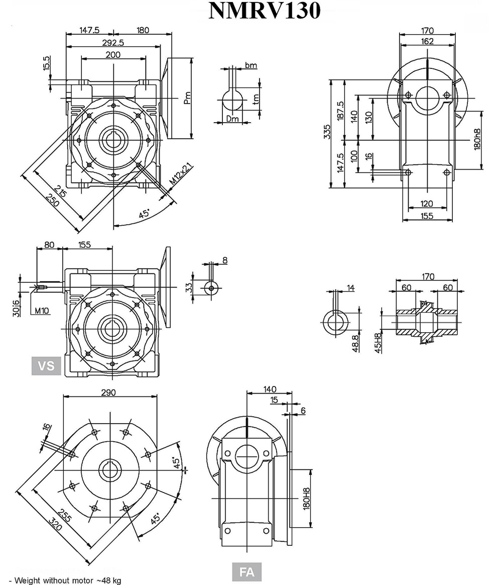
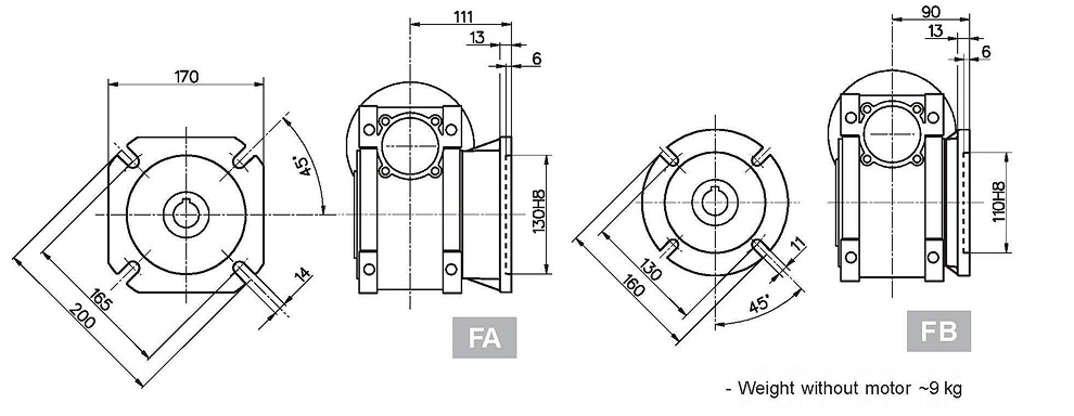
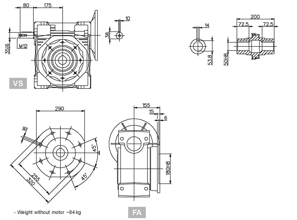
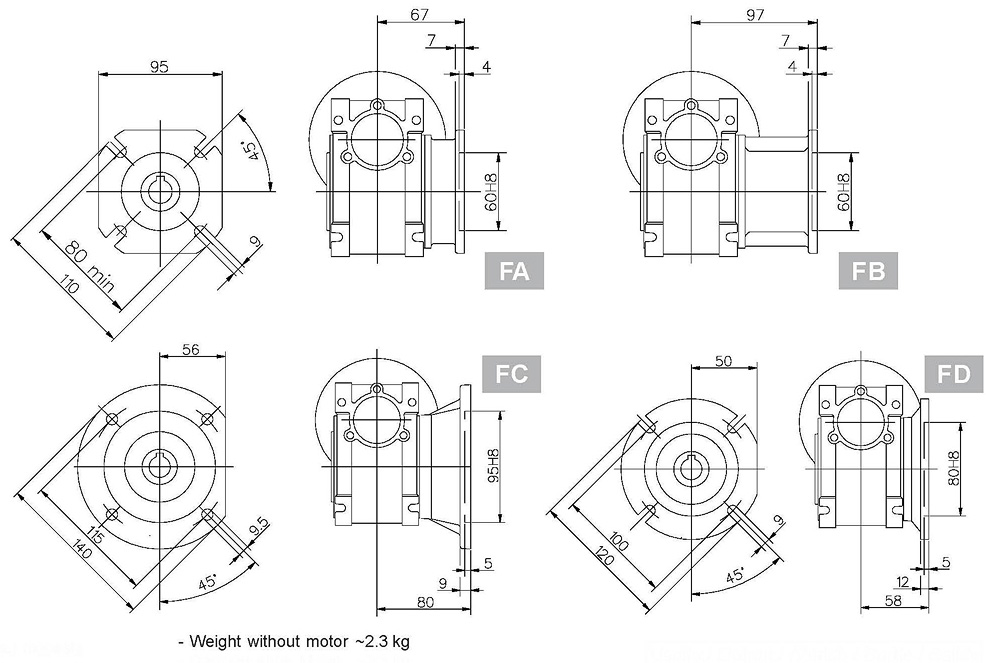
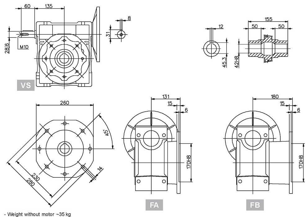
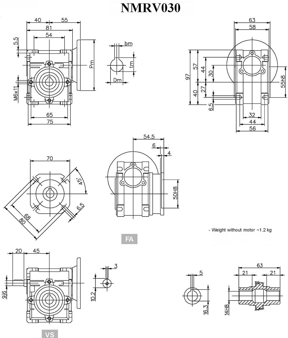
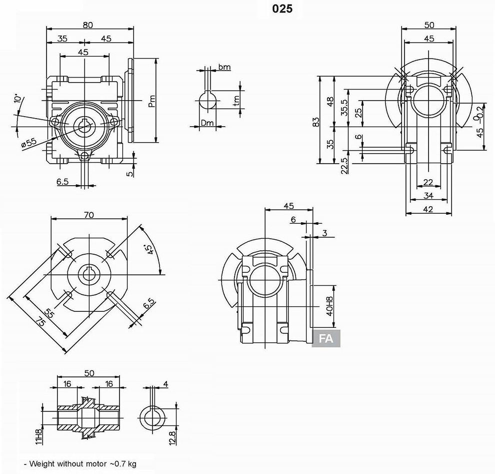
NMRV外型尺寸 (NMRV Dimensions)

NRV蜗轮蜗杆减速机(图2)NRV蜗轮蜗杆减速机(图3)NRV蜗轮蜗杆减速机(图4)NRV蜗轮蜗杆减速机(图5)NRV蜗轮蜗杆减速机(图6)NRV蜗轮蜗杆减速机(图7)NRV蜗轮蜗杆减速机(图8)NRV蜗轮蜗杆减速机(图9)NRV蜗轮蜗杆减速机(图10)NRV蜗轮蜗杆减速机(图11)NRV蜗轮蜗杆减速机(图12)NRV蜗轮蜗杆减速机(图13)NRV蜗轮蜗杆减速机(图14)NRV蜗轮蜗杆减速机(图15)NRV蜗轮蜗杆减速机(图16)NRV蜗轮蜗杆减速机(图17)NRV蜗轮蜗杆减速机(图18)

扭力臂位置(Position of torque arm)

NRV蜗轮蜗杆减速机(图19)

输出法兰位置 (Position of output flange)

NRV蜗轮蜗杆减速机(图20)

输出轴位置 (Position of output shaft)

NRV蜗轮蜗杆减速机(图21)<
标签:

在线客服
服务热线

服务热线

400 021 2515

微信咨询
返回顶部